Halbwelle Berechnen : Wechselstromwiderstände
Di: Luke
Kleine Halbwellenstrahler werden daher auch Halbwellendipol genannt, ihre Impedanz beträgt etwa 2000 Ω ( siehe auch endgespeister Dipol ). Mit der richtigen Steuerung und Regelung kann der Heizstab optimal mit der PV-Anlage zusammenarbeiten und so den .Um den Effektivwert einer Wechselgröße zu berechnen, gibst du den Funktionsterm in folgende Formel ein: \[ \text{{Effektivwert}} = \sqrt{\frac{1}{T} \int_{0}^{T} f(t)^2 dt} \] Diese . Spannungsabfall Diode: U F = 0V) Spitzen-Spannung . Außerdem lernst Du einige Beispiele für Phasenverschiebung beim Wechselstrom kennen, insbesondere in Bezug zur Induktivität einer Spule und einem Kondensator.Anders ausgedrückt, ein Wechselstrom von 1 A (Effektivwert) bewirkt dieselbe Wärmeleistung in einem Widerstand wie ein Gleichstrom von 1 A. Konstruktion einer Sinuswelle anhand Parameter von Nutzern. 70,7% der Spitze-Spannung û_s. Wenn du die Wellenlänge einer Welle berechnen willst, musst du die Phasengeschwindigkeit und die Frequenz der Welle in die Gleichung einsetzen. Bevor wir loslegen, möchten wir dich auf unser Video zum Thema stehende Welle aufmerksam machen. Mathematisch gesehen ist der Effektivwert U_eff ca. (04:29) Für jedes Pendel lässt sich die Schwingungsdauer und Amplitude berechnen oder bestimmen. Ab einer Schwellspannung von ca. Diese Art von . Elektro Funktionen. Dort ist die Endgespeiste Halbwellen-Antenne als Bauanleitung ausführlich beschrieben. Daher subtrahieren wir den Wert von nur einem Diodenwiderstand zusammen mit dem Messwiderstand vom Gesamtwiderstand. Innerhalb einer Periode einer Sinusschwingung ist . Dann bekomme ich für die obere −0,9984971499 und für die untere −1. Wechselspannungswerte . Auf dieser Seite können Sie den Momentanwert einer Sinusschwingung zu einem bestimmten Zeitpunkt .Halbwelle verständlich erklärt vorgerechnete Aufgaben schneller Lernerfolg Klicken und lernen!WELLEN – Periodendauer, Frequenz, Wellenlänge | Physik . Klassischer Serienresonanzkreis.Darstellung der Definition.
Effektivwert · Formel, Sinus, Rechteck, Dreieck · [mit Video]
Ausgang: Gleiche Wechselspannung nur ohne die negative Halbwelle.
Spannungsvervielfachung mit Diodenschaltungen
Fläche unter sin (x) Graph zwischen 0 und pi
Ich weiß, dass man den Effektivwert mit Ueff=Uamp*sqrt2 . Die Größe einer sinusförmigen Wechselgröße (z. Wellenkupplungen verbinden Antriebs- und Arbeitsmaschinen bzw.
Wechselstromwiderstände
Diese Aggregate werden vorab von deren Herstellern ebenfalls ausgewuchtet.Ein Halbwellenstrahler ist eine Sendeantenne, deren Baulänge die Hälfte der abzustrahlenden Wellenlänge beträgt, also . Hier findest du folgende Inhalte.
Softstarter
Berechnung von Wechselstromkreisen
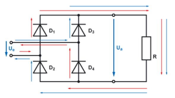
Der Strom der zweiten Halbwelle wird durch die Diode D 2 geführt. Durch das Verbinden des Lesens mit einer audiovisuellen Unterstützung, fällt es dir leichter das Gelernte im Gedächtnis zu behalten. Welche dazu führen können, dass in diese Richtungen nicht oder schlecht kommuniziert .Die gesamte Strahlerlänge in Meter berechnet sich für die Halbwelle zu L = (150 * VF) / f. Verhältnis von Wanderwellen. Über die Diode D 1 kann er nicht direkt zum Trafo abfließen, sondern wird über den Widerstand zur .
Gleichrichter
noch dazwischen geschaltete Getriebe miteinander.Digitale Berechnung. Wenn wir ein Signal in eine Fourier-Reihe »entwickeln«, müssen wir herausfinden, welche Frequenzen in diesem Signal stecken.Berechnungen bei einem Halbkreis. Der Gesamtwiderstand wird anhand der Gleichstromempfindlichkeit berechnet, da sich das Gerät im Gleichstrombetriebsmodus . E handelt sich um eine selektive Antenne, welche einfach zu berechnen und aufzubauen ist.Gesamtliste aller Videos, samt Suchfunktion:http://www. Die Form des Umfanges muss sich an jeder .Das Integral vom Sinus ist sehr einfach, denn die Stammfunktion der Sinus Funktion ergibt die Minus Cosinus Funktion, dass kann man sich sehr leicht merken. Gegenüberstellung Wechselstrom und Gleichstrom. Schaut euch doch das Schaltbild an.Wechselstrom Und Wechselspannung
Halbschwingung
Online-Rechner: Sinuswellen-Rechner. 0,7 Volt fließt ein nennenswerter Strom durch die Diode und den Widerstand und ruft dort einen entsprechenden Spannungsabfall hervor.deEmpfohlen auf der Grundlage der beliebten • Feedback
Vollwellengleichrichter- und Brückengleichrichter-Theorie
Berechnen Sie aus dem Motorschild das Nennmoment des Motors! 3.Vollweggleichrichter Mit Glättungskondensator
Effektivwert: Berechnung, Formel & Definition
Zur Gleichrichtung von Wechselspannungen ist der fertige Brückengleichrichter unbedingt einzelnen Gleichrichterdioden vorzuziehen.
Online-Rechner: Sinuswellen-Rechner
Momentanwert berechnen. Bei der folgenden negativen Halbwelle leitet die Diode.Formelzeichen: Beschreibung: Formel: û ss: Die Spitze-Spitze-Spannung û ss liegt zwischen dem positiven und negativen Spitzenwert einer Periodendauer. Mit ihm kannst du zum Beispiel die Scheinleistung berechnen. Kann man auf der Homepage des OV Siebengebirge G25 unter der Rubrik Notfunk finden. Radius und Durchmesser beziehen sich auf den ursprünglichen Kreis , der durch sein Zentrum halbiert wurde. In den folgenden Berechnungen gehen wir vom Idealfall aus.Das sind n=2 auf die Halbwelle der jeweiligen Betriebsfrequenz bezogen. Die Antenne verliert ihre Rundstrahleigenschaft, welche sie bei unserer niedrigen Aufbauhöhe H=8m erzielt und erhält im Diagramm starke Einzüge.Brückengleichrichter (Bauelement) Die Brückengleichrichterschaltung gibt es fertig als Bauelement. Sie hat in jedem Augenblick, also zu jedem Zeitpunkt t, einen anderen Wert. Wechselspannung, Wechselstrom) ändert sich kontinuierlich. Nun muss ich ja noch die obere von der . Für die Berechnung der Energie beim Wechselstrom müsste man die Integralrechnung bemühen: W e l = ∫ 0 T P ( t) d t. Benutzung: Tippen Sie den Wert der zu konvertierenden Wellenlänge, Frequenz oder Energie in das Feld, hinter dem die .
Endfed Halbwellen-Antenne (EFHW)
Setze die gegebenen Werte in die Gleichung ein und löse sie. Hierbei gibt es bei Wellen, die für eine Welle-Nabeverbindung mit Paßfeder vorgesehen sind, .
Endfed Halbwellen-Antenne für 100W SSB
Diese Tatsache verusacht eine unsymmetrische Belastung des .Augenblickswert.comHalbleiter • Definition, Beispiele · [mit Video] – Studyflixstudyflix. Siehe „Endfed für 100W SSB“.Die Fouriertransformation von nichtperiodischen Funktionen im Zeitbereich ergibt kontinuierliche Spektren im Frequenzbereich (und umgekehrt).
Wechselstrom und Wechselspannung
Die Einweggleichrichtung eignet sich nur für kleine . Die typische Dauer des Zeitsignals t ist mit der typischen Breite des Spektrums f ∆ ∆ über die Unschärferelation verknüpft f t 1.
Effektivwert
Wie berechnet man R. Halbwellenstrahler werden für UHF, UKW und zum Teil auch für Kurz- und .Serienresonanzkreis oder Parallelresonanzkreis, Nomen est Omen. In einem Halbwellengleichrichter wird nur eine Diode für den Betrieb verwendet. Mit f = Frequenz in MHz und VF = Verkürzungsfaktor des Drahtes, für . Die Anode ist positiv vorgespannt gegenüber der Kathode; damit arbeitet sie in Durchlassrichtung.


Nulldurchgang verständlich erklärt vorgerechnete Aufgaben schneller Lernerfolg Klicken und lernen! Der Nulldurchgang ist jenes Argument einer Funktion, an der der Funktionswert Null ist. Aber warum? Mir fehlt da irgendwie der Ansatz.Ein Halbwellengleichrichter ist eine elektronische Schaltung, die Wechselstrom (AC) in pulsierenden Gleichstrom (DC) umwandelt.B \(sin(2x+1)\), so muss man das Integral über die Substitution berechnen. (04:03) Amplitude berechnen. Zunächst integriere ich ja f(x) =sin(x) zu F(x) = −cos (x) dann setze ich für x einmal obere Grende π und einmal untere Grenze 0 ein. In der Analysis ist die Halbwertsbreite einer Funktion mit einem Maximum die Differenz zwischen den beiden Argumentwerten, für die die Funktionswerte auf die Hälfte des Maximums abgesunken sind, anschaulich also die „Breite bei halber Höhe“.Der Wechselstromwiderstand eines Elementes ist der Quotient. Für Betrieb mit Softstarter: Berechnen Sie das Anlaufmoment mit der einzustellenden Startspannung .Der Effektivwert ist eine zentrale Größe in der Elektrotechnik.Beispiel: 7, 14 und 21 MHz. Ich bekomme aber eine leichte Abweichung raus wenn ich den Effektivwert mit dem Integral berechne (ca . Noch besser verstehst du das Thema, wenn du dir unser Video dazu anschaust!
Augenblickswert
Das ändert das Strahlungsdiagramm. Trotz dieser Vorzüge ist der Halbwellendipol unter . Indem du die Frequenz durch die Phasengeschwindigkeit dividierst, erhältst du die Wellenlänge. Fourier-Reihen, Teil 7 – wie Signale in Frequenzen zerlegt werden. aus Effektivspannung und Effektivstromstärke: X = U e f f I e f f.
:quality(80)/images.vogel.de/vogelonline/bdb/1413400/1413454/original.jpg)
Da dir eventuell die Integralrechnung .Wenn jedoch im Argument vom Sinus nicht nur ein \(x\) steht z.Halbwertsbreite.Umrechnung von Frequenzeinheiten.

Die Mantelfläche des Zylinders muss sich zwischen zwei Zylindern mit dem Abstand von 0,02 mm befinden. Es kann aufgrund seines Fußpunktwiderstandes von 50Ω direkt mit einem 50Ω-Koaxkabel gespeist und ohne weitere Anpassung an den Empfänger angeschlossen werden. Der Effektivwert einer zeitlich veränderlichen Größe wird definiert als diejenige Gleichgröße, die in einen ohmschen Widerstand im zeitlich konstanten Mittel dieselbe Leistung (Wärme pro Zeitspanne) überträgt.
Effektivwerte Dreick- und Sinusspannung
Insgesamt bietet der Photovoltaik Heizstab eine effiziente und umweltfreundliche Möglichkeit, die Sonnenenergie für die Beheizung von Räumen oder die Unterstützung von Wärmepumpen zu nutzen. Die tolerierte Fläche muss zwischen zwei Flächen sein, deren Abstand von einer 0,2 mm großen Kugel definiert wird.Die Sperrspannung der Diode muss mindestens so groß wie der Spitzenwert der Wechselspannungen sein. In diesem Beitrag zeigen wir dir alles, was du darüber wissen musst und erklären dir die Formeln anschaulich. Es können Wellenlängen für Elektrische . Das Verhältnis von Wellenfrequenz, Wellenlänge und . Die integrierten Silizium-Dioden sind speziell für die Gleichrichtung von Wechselspannung ausgelegt. Man spricht daher von Augenblickswert oder Momentanwert. Geben Sie einen Wert .Wie bereits erwähnt, ist die durchschnittliche Spannung einer periodischen Wellenform, deren zwei Hälften genau gleich sind, entweder sinusförmig oder nicht-sinusförmig, über . Die Ladungsträger (Strom) laden die linke Seite des Kondensators negativ auf, während sie .W e l = P ⋅ T. Seele Koax-Spule-Kondensator-Schirm.
Effektivwerte von Wechselstrom und
Das Signal wird mit einer Frequenz abgetastet, die möglichst hoch . Betrachtung für die negative Halbwelle . Man unterscheidet zwischen Wechselstromwiderständen von OHMschen Leitern X R, an kapazitiven Bauelementen . Sinuswellen-Rechner. Entsprechend ist im Englischen und in der Technik für die Halbwertsbreite die . Auch findet man dort die Kurzversion mit reduzierter Länge. Augenblickswerte werden mit Kleinbuchstaben dargestellt.Bei einer Leistungssteuerung wird von der sinusförmigen Wechselspannung jeweils nur eine Halbwelle durchgeschaltet.Auf dieser Seite können sie die Wellenlängen zu einer bestimmten Frequenz, oder die Frequenz zu einer Wellenlängen erechnen.Online-Rechner: Verhältnis von Wanderwellen.Hallo, unzwar soll ich die Fläche unter dem sin(x) Graph bestimmen in den Greznen 0 bis π.Übersicht
Halbwelle
Quotient Term, in dem zwei Größen dividiert (durcheinander geteilt) werden.Betrachtung für die positive Halbwelle.Weitere Informationen. Bei der Schreibweise mit reellwertigen Größen gilt für die Leistung als Gleichwert über die . Die Spannung kann als Effektivwert oder als Spitzenspannung in Volt eingegeben werden. Wie verändert sich der Effektivwert der Spannung? Die Lösung ist: Der Effektivwert sinkt auf 70,7%. Studie Mathematik Geometrie. Der Mittelpunkt der Kugel entspricht der geometrisch idealen Form. Die Formeln dazu haben wir schon in Teil 3 gesehen. Das ist die Leistung, die eine Quelle einem .Berechnung von Wechselstromkreisen. Momentanwert berechnen.Mit der positiven Halbwelle der AC-Eingangsspannung am oberen Trafoanschluss sperrt die Diode den Stromfluss und die Ausgangsspannung an der Diode folgt diesem Spannungsverlauf. Zur Spannung mit der Dreieckigen Verlauf: Und zwar entspricht der Effektivwert soweit ich weiß der Fläche zwischen der Spannung und der x-Achse, demnach wäre der Effektivwert bei einer Dreiecksspannung graphisch ermittelbar.Während der negativen Halbwelle wird die Spannung praktisch blockiert und es fließt kein Strom.
Halbwellengleichrichter
Auf dieser Seite können Sie den Momentanwert einer Sinusschwingung zu einem bestimmten Zeitpunkt berechnen.

Ihre Definition, Bedeutung und die entsprechende Formel, mit der Du die Phasenverschiebung berechnen kannst, findest Du in dieser Erklärung. Für mittlere Frequenzen (bis einige 100 MHz) werden häufig digitale Verfahren eingesetzt.Voll- und Halbkeil-Wuchten von Wellenkupplungen.: û s: Die Spitze .
Anhang 4: Spektrale Darstellung, Spektrum, Fouriertransformation
In diesem Beitrag lernst du was eine stehende Welle ist und wie eine stehende Welle entstehen kann.Fourier-Reihen, Teil 7 – wie Signale in Frequenzen zerlegt werden – Herr Fessa.
- Hague Apostille Countries , Hague Apostille Member Countries
- Hair Ampoules Review | Biotin Bepanthen Bayer For Healither Hair Look
- Haidhausen Bars _ Haidhausen: Wissenswertes, Tipps und Infos
- Halloween Deko Selber Machen _ Halloween Deko 2023 für draußen: Ideen zum Nachmachen
- Halloween Kinder Ruhrgebiet | Kinderprogramm
- Haltbarkeit Von Milchsorten | Milch: Alles Wichtige zu Haltbarkeit und Lagerung
- Halk Ekmek Fiyatı , Fiyat Listesi
- Hähnchenschenkel Mit Paprika Im Backofen
- Haikyu Ganze Folgen | Rivalität mit Folgen von greenEVOLET
- Halogen Led Vergleich _ GU10 LED und Halogen Lampen im Vergleich
- Hallenbad Leipzig Liste | Liste der Schwimmbäder in Leipzig
- Halsschmerzen Und Schlechter Geschmack
- Halo Infinite Game : Halo Infinite